INFO
- Progettazione impianti meccanici.






DESCRIZIONE INTERVENTO:
La realizzazione della nuova area “Red Bar” è stata inserita nel contesto dell’edificio ad uso ufficio che attualmente ospita la sede Vodafone di Roma.
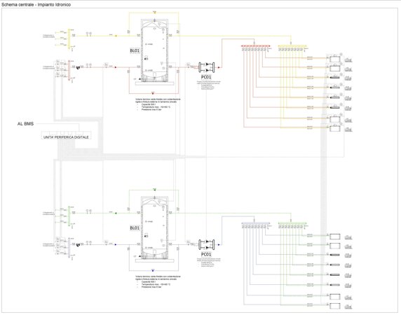
Il progetto, svolto in collaborazione con Lombardini 22, ha previsto la realizzazione di un impianto idronico partendo dalle predisposizioni esistenti, così come l'impianto aeraulico e di condizionamento.
E' stato realizzato un nuovo corpo bagni e un’area adibita a bar, la cui impiantistica è realizzata ex novo.
Uno spazio di lavoro, ma allo stesso tempo di relax e condivisione, con la flessibilità dell'uso rappresentata anche dalla capacità di modificare le stanze a proprio piacimento con la progettazione di elementi di arredo mobili.
Un nuovo modo di concepire il lavoro, con lo sguardo rivolto al futuro.